- Neu

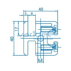
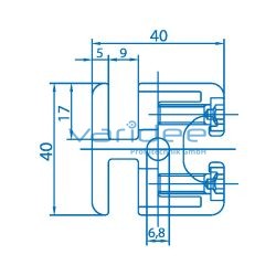
Klemmprofile 8 40x40-180° werden für den Bau und die Unterteilung von großflächigen, stabilen Schutzeinrichtungen verwendet. Die Flächenelemente werden mittels Zylinderschrauben und Profilklemmleisten eingespannt. Die feste Einspannung der Flächenelemente unterstützt die Festigkeit des Rahmenelements. Einspanntiefe: 15 mm (umlaufend). Besonderheit dieser Variante ist die zweiseitige Einspannmöglichkeit von Flächenelementen. Im Lieferumfang sind die benötigten Profilleisten 8 19x11,5 und die passenden Befestigungsschrauben enthalten.